ไฟจราจรลูกบอลเต็มสีแดง/เขียวฟลักซ์สูง (สองชุด)
อ่านเพิ่มเติม
การแนะนำผลิตภัณฑ์:
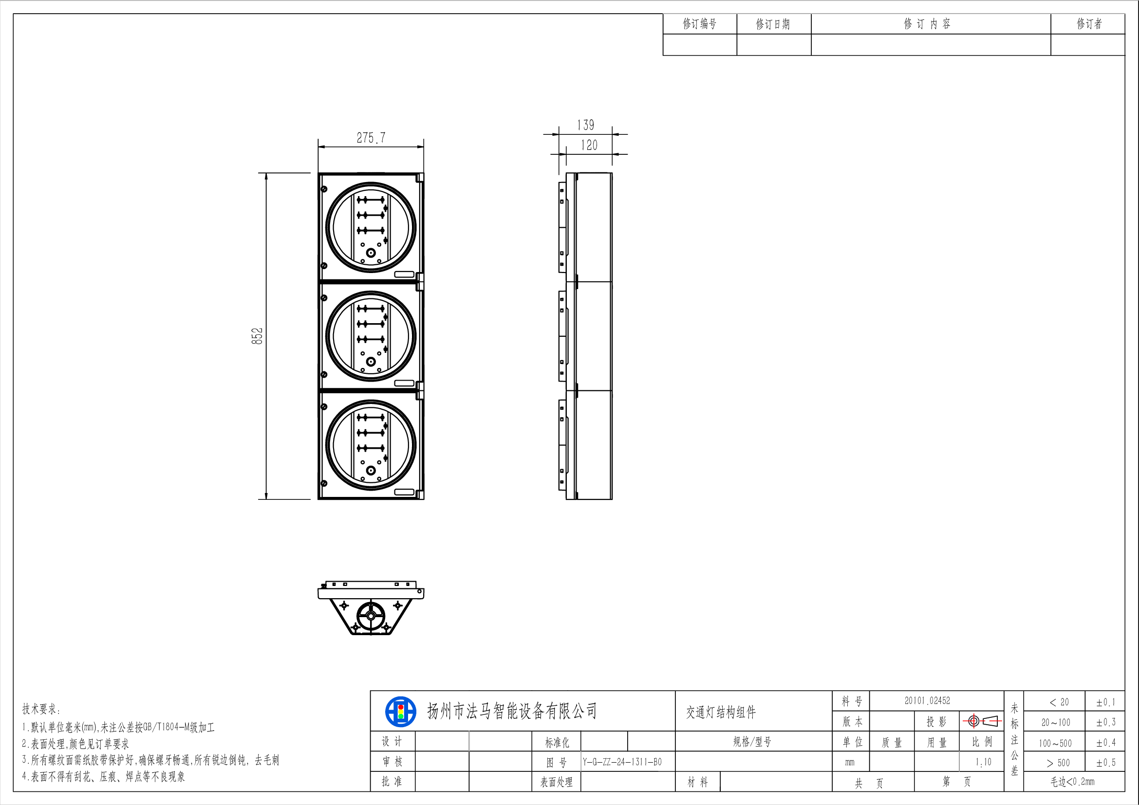
ไฟจราจรทรงกลมสีแดง/เหลือง/เขียวฟลักซ์สูงประกอบด้วยชุดประกอบสามชุด แกนโคมไฟประกอบด้วยแหล่งกำเนิดแสงขนาดใหญ่ เลนส์ออปติกสามชั้น ชุดจ่ายไฟ ชามโคมไฟ และโมดูลระบายความร้อนภายนอก รวมถึงส่วนประกอบโครงสร้างอื่นๆ กลไกออปติกทำงานผ่านกระบวนการออปติกสามชั้นเพื่อเพิ่มประสิทธิภาพการส่องสว่าง กระจาย และปรับโฟกัสแสงจุดที่เปล่งออกมาจากแหล่งกำเนิดแสง ทำให้เกิดแสงที่ส่องบนพื้นผิวสม่ำเสมอ สามารถนำไปประยุกต์ใช้กับทางแยกควบคุมสัญญาณไฟจราจรได้หลากหลายประเภท
| รุ่นผลิตภัณฑ์ | เจดี100-3-เอฟเอ็ม35 | เจดี200-3-เอฟเอ็ม35 | เจดี300-3-เอฟเอ็ม35 |
| ขนาดพื้นผิวเปล่งแสง (LES) | 100 มม. | 200 มม. | 300 มม. |
| วัสดุของที่อยู่อาศัย | ตัวเรือนโพลีคาร์บอเนต | ตัวเรือนโพลีคาร์บอเนต | ตัวเรือนโพลีคาร์บอเนต |
| สีหน้ากาก | สี | สี | สี |
| รูปทรงหน้ากาก | รูปทรงโค้ง | รูปทรงโค้ง | รูปทรงโค้ง |
| แรงดันไฟฟ้า / ความถี่ในการทำงาน | AC85~264V/47-63Hz | AC85~264V/47-63Hz | AC85~264V/47-63Hz |
| ปริมาณ LED | ย/ก: 1 ชิ้น | ร/ย/ก: 3 ชิ้น | ร/ย/ก: 4 ชิ้น |
| การใช้พลังงานของหลอดไฟ | ลูกบอลสีแดงเต็ม ≤ 3 W ลูกบอลสีเหลืองเต็ม ≤ 3 W ลูกบอลสีเขียวเต็ม ≤ 3 W | ลูกบอลสีแดงเต็ม ≤ 8 W ลูกบอลสีเหลืองเต็ม ≤ 10 W ลูกบอลสีเขียวเต็ม ≤ 12 W | ลูกบอลสีแดงเต็ม ≤ 10 W ลูกบอลสีเหลืองเต็ม ≤ 13 W ลูกบอลสีเขียวเต็ม ≤ 15 W |
| ความเข้มของการส่องสว่าง | 110ซีดี~200ซีดี | 230cd~350cd | 400cd~1000cd |
| ความยาวคลื่น LED | สีแดง: 616 - 628 นาโนเมตร สีเหลือง: 589 - 592 นาโนเมตร สีเขียว: 500 - 510 นาโนเมตร | สีแดง: 616 - 628 นาโนเมตร สีเหลือง: 589 - 592 นาโนเมตร สีเขียว: 500 - 510 นาโนเมตร | สีแดง: 616 - 628 นาโนเมตร สีเหลือง: 589 - 592 นาโนเมตร สีเขียว: 500 - 510 นาโนเมตร |
| อายุการใช้งานของ LED | ≥100,000 ชั่วโมง | ≥100,000 ชั่วโมง | ≥100,000 ชั่วโมง |
| ความต้านทานฉนวน | >2 เมกะโอห์ม | >2 เมกะโอห์ม | |
| อุณหภูมิในการทำงาน | -40℃ ถึง +80℃ | -40℃ ถึง +80℃ | -40℃ ถึง +80℃ |
| ความชื้นสัมพัทธ์ | ความชื้นสัมพัทธ์ ≤97% | ความชื้นสัมพัทธ์ ≤97% | ความชื้นสัมพัทธ์ ≤97% |
| เกรดการป้องกัน | IP55 | IP55 | IP55 |
| ระยะการมองเห็น | ≥300เมตร | ≥300เมตร | ≥300เมตร |
| ข้อมูลจำเพาะของบรรจุภัณฑ์ | 1 ชิ้นต่อกล่อง ขนาด: 48 × 17 × 19 ซม. น้ำหนัก: 3.1 ± 0.5 กก. | 1 ชิ้นต่อกล่อง ขนาด 95 × 29 × 23 ซม. น้ำหนัก 7.9 ± 0.5 กก. | 1 ชิ้นต่อกล่อง ขนาด 112 × 39 × 28 ซม. น้ำหนัก 13.5 ± 0.5 กก. |


